Șină AIRLINE 3 m – fixare sigură și flexibilă a încărcăturii
Șina AIRLINE de 3 m este un accesoriu pentru camion și o piesă pentru vehicule comerciale concepută pentru fixarea rapidă, sigură și eficientă a mărfii pe semiremorci și suprastructuri. Datorită montajului exterior și formei curbate, oferă o instalare flexibilă și ajută la păstrarea spațiului interior liber. Este o soluție practică pentru transportatori, service-uri și orice utilizator care caută un echipament pentru camion fiabil pentru utilizarea zilnică.
Avantaje principale
- Construcție rezistentă pentru utilizare intensă
- Montaj ușor pe exterior
- Fixare flexibilă a încărcăturii
- Economisire de spațiu în zona de încărcare
- Soluție rentabilă pentru transport sigur
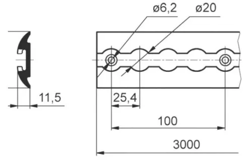
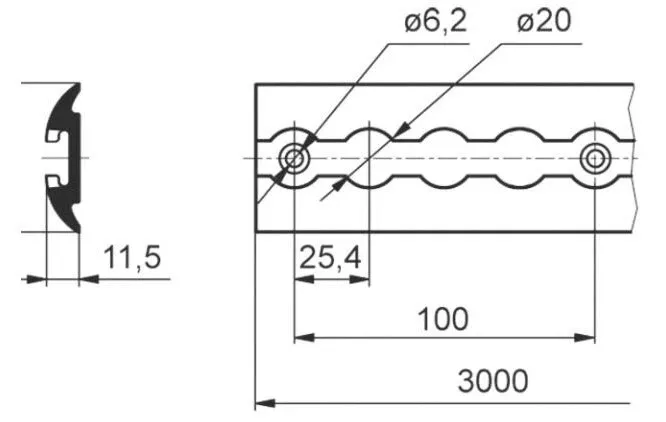
Caracteristici tehnice
| Tip produs | Șină pentru fixarea încărcăturii |
| Lungime | 3 m |
| Construcție | Formă curbată |
| Utilizare | Montaj exterior, suprastructură / remorcă |
| Tip fabricație | Produs suplimentar / accesoriu |
| Material | Metal durabil, rezistent |
Compatibilitate și utilizare
Șina AIRLINE 3 m este recomandată pentru semiremorci, camioane, autoutilitare și suprastructuri unde este necesară o fixare eficientă a mărfii. Montajul trebuie realizat pe punctele de prindere corecte, iar înainte de utilizare este important să verificați compatibilitatea cu elementele de fixare și cerințele de sarcină. Este o alegere inspirată pentru cei care caută o piesă de tip camion piesă webshop, cu aplicare practică și durabilă.
Recomandări de utilizare
- pentru șoferi profesioniști și transportatori
- pentru service-uri de remorci și suprastructuri
- pentru firme care fac fixarea frecventă a mărfurilor
Dacă aveți nevoie de o soluție fiabilă și ușor de integrat în sistemul de rakamányrögzítés, această șină este o alegere bună. Produse conexe: inel de ancorare AIRLINE, chingă de fixare a încărcăturii.
FAQ – Întrebări frecvente
- La ce folosește șina AIRLINE de 3 m?
Este folosită pentru fixarea sigură a încărcăturii pe remorci, camioane și suprastructuri, fără a ocupa inutil spațiul interior.
- Pe ce vehicule se poate monta?
Se poate utiliza pe semiremorci, camioane, autoutilitare și alte vehicule comerciale cu montaj exterior potrivit.
- Este un produs original sau aftermarket?
Este un produs accesoriu pentru sistemul AIRLINE, destinat extinderii și completării soluțiilor de ancorare.
- Când merită înlocuită sau adăugată o astfel de șină?
Când aveți nevoie de puncte suplimentare de fixare sau când sistemul existent nu mai oferă suficientă flexibilitate.
Comandați acum șina AIRLINE 3 m dintr-un magazin online de piese pentru camion și alegeți o soluție practică, robustă și eficientă pentru transportul zilnic.