Set buzunar lateral Hestal 801
Setul de buzunar lateral Hestal 801 este o soluție practică și durabilă pentru suprastructura remorcii și pentru fixarea mărfii. Ajută la poziționarea sigură a elementelor laterale și reduce jocul, deplasarea și riscul de deteriorare în timpul transportului. Este un accesoriu camion util pentru transportatori, service-uri și ateliere care caută o soluție fiabilă, ușor de folosit și potrivită pentru munca de zi cu zi.
Avantaje principale
- Construcție robustă pentru utilizare intensă
- Oțel rezistent la coroziune cu suprafață impregnată
- Montaj rapid și întreținere simplă
- Așezare precisă pentru fixare stabilă
- O alegere economică pentru flotă și utilizare profesională
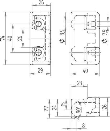
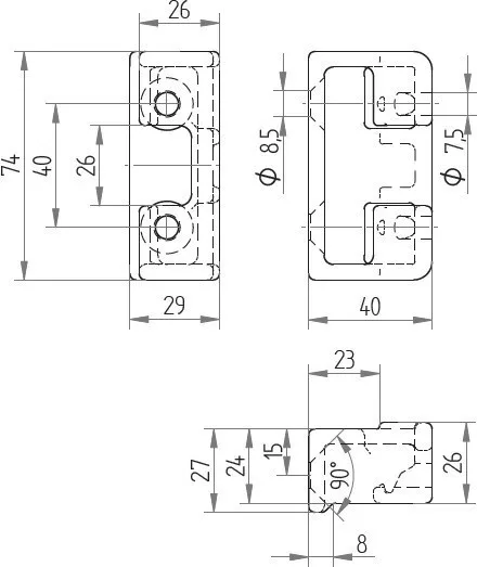
Date tehnice
- Compatibilitate: sistem lateral Hestal 801–802
- Material: oțel rezistent la coroziune, suprafață impregnată
- Funcție: buzunar lateral pentru rack-uri / elemente de fixare
- Utilizare: platformă fixă, remorcă, suprastructură camion
Utilizare și montaj
Produsul se montează rapid, iar potrivirea exactă contribuie la o prindere sigură. La instalare, verifică dimensiunile sistemului existent și starea elementelor de fixare, pentru ca ansamblul să funcționeze corect pe termen lung.
Cui i se potrivește?
Este recomandat șoferilor de camion, companiilor de transport, atelierelor și service-urilor care au nevoie de piese camion și piese suprastructură remorcă fiabile. Este ideal pentru utilizare zilnică, mentenanță sau înlocuirea unui element uzat.
Produse asociate
- Rack-uri Hestal 801–802
- Elemente de fixare și accesorii pentru suprastructură
Întrebări frecvente
Este compatibil cu sistemele Hestal 801 și 802?
Da, setul este conceput special pentru aceste sisteme, pentru o potrivire corectă.
La ce folosește mai exact?
Asigură fixarea laterală a elementelor și ajută la stabilizarea mărfii pe suprastructura remorcii.
Din ce material este realizat?
Din oțel rezistent la coroziune, cu suprafață impregnată, pentru durabilitate sporită.
De ce să îl comanzi din magazinul online?
Primești acces rapid la produse din stoc, livrare promptă și suport de specialitate într-un magazin piese camion de încredere.
Alege setul de buzunar lateral Hestal 801 dacă vrei o soluție sigură, practică și durabilă pentru suprastructura camionului sau remorcii. Comandă acum și crește siguranța transportului!