Set balama 85 mm – soluție completă și rezistentă pentru suprastructuri
Setul de balama 85 mm este alegerea ideală dacă ai nevoie de o fixare solidă și durabilă pentru remorci, camioane, uși industriale sau alte aplicații solicitante. Acest piesă camion și accesoriu camion ajută la deschiderea și închiderea sigură a ușilor, oferind rezistență bună la uzură și la intemperii. Construcția din oțel zincat protejează eficient împotriva ruginii, ceea ce îl face potrivit și pentru utilizare în exterior.
Avantaje principale
- Set complet: corp balama, ax, placă filetată și 4 șuruburi
- Oțel zincat: rezistent la coroziune și la condiții meteo dificile
- Dimensiune 85 mm: construcție robustă, potrivită pentru uz industrial
- Montaj rapid: instalare simplă și înlocuire ușoară
- Raport bun preț-calitate: soluție practică dintr-un magazin de piese camion
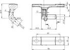
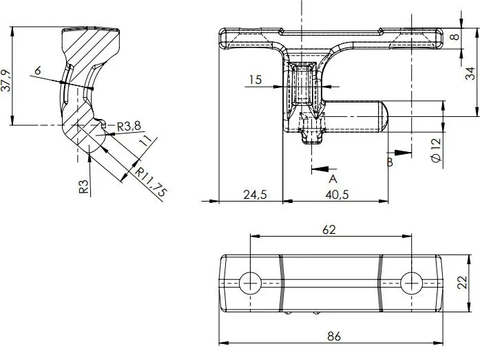
Date tehnice
| Material | Oțel zincat |
| Lungime totală | 85 mm |
| Diametru ax | 12 mm |
| Placă filetată | 18 x 6 mm, găuri M8 |
| Tip | Set complet balama |
Compatibilitate și utilizare
Recomandat pentru ușile din spate ale remorcilor, suprastructuri de camioane, uși de atelier, porți industriale și vehicule agricole. Datorită punctelor standard de prindere, se poate folosi în mai multe aplicații de transport și service.
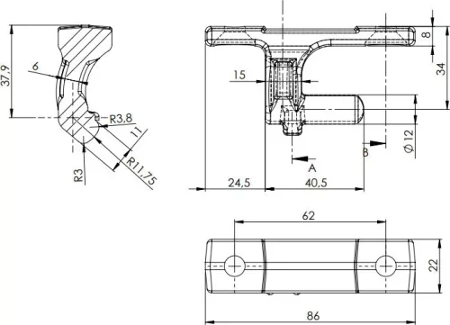
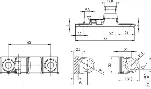
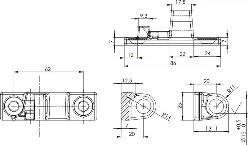
Montaj și utilizare
La montaj, verifică poziția găurilor și strângerea corectă a șuruburilor. Pentru o fixare sigură, consultă desenul dimensional înainte de instalare.
Întrebări frecvente
Poate fi folosit la exterior?
Da, stratul zincat oferă protecție bună împotriva umezelii și a ruginii.
Setul include toate piesele necesare?
Da, produsul este complet și gata de montaj.
Când trebuie înlocuită balama?
Dacă apare joc, blocaj sau coroziune vizibilă, este recomandată schimbarea.
Comandă acum dintr-un webshop de piese camion cu livrare rapidă și alege o soluție fiabilă pentru camioane, remorci și service-uri.