Clichet cu cârlige pentru lanț de 8 mm LC40kN
Clichetul cu cârlige pentru lanț de 8 mm LC40kN este o soluție fiabilă de fixare a încărcăturii pentru semiremorci și suprastructuri de remorcă. Produsul ajută la tensionarea rapidă și sigură a lanțului, reducând deplasarea marfii în timpul transportului și oferind un plus de siguranță pentru șoferi, flote și service-uri.
Avantaje principale
- Capacitate LC40kN pentru sarcini solicitante
- Construcție din oțel carcasat pentru durabilitate și rezistență la coroziune
- Utilizare rapidă datorită mecanismului de eliberare ușoară
- Compatibil cu lanț de 8 mm, pentru utilizare standard
- Raport excelent preț-calitate pentru transport profesionist
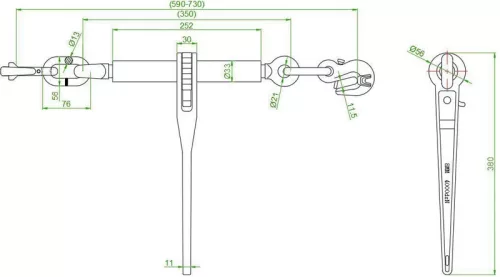
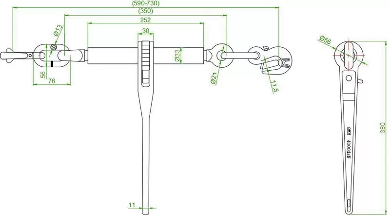
Date tehnice
| Compatibilitate | Lanț de 8 mm |
| Capacitate | LC40kN |
| Material | Oțel carcasat |
| Tip | Produs aftermarket / piesă de fixare a încărcăturii |
| Dimensiuni | A: 338,5 mm; B: 33 mm; C: 66,5 mm; E: 604 mm; E1: 807 mm; F: 664 mm; F1: 867 mm; G: 12 mm |
Utilizare și compatibilitate
Recomandat pentru piese pentru suprastructura remorcii, accesorii camion și fixarea încărcăturii pe remorci, camioane sau în aplicații industriale. Este potrivit pentru transport de marfă grea și pentru utilizare frecventă în logistică.
Utilizare: se montează lanțul pe cârlige, apoi se tensionează treptat clichetul. Verificați înainte de fiecare utilizare starea lanțului și punctele de prindere.
Întrebări frecvente
- Pentru ce lanț este potrivit? Pentru lanț de 8 mm, conform utilizării standard la fixarea mărfii.
- Este potrivit pentru camion sau remorcă? Da, este recomandat în special pentru remorci, suprastructuri și transport rutier de marfă.
- Ce problemă rezolvă? Reduce mișcarea încărcăturii și crește siguranța în timpul transportului.
Comandați dintr-un magazin online de piese camion de încredere și beneficiați de livrare rapidă și consultanță specializată pentru alegerea corectă.