Troliu cu cârlige pentru lanț de 13 mm LC106kN
Troliul cu cârlige pentru lanț de 13 mm LC106kN este o soluție sigură și practică pentru fixarea încărcăturii în transporturile grele. Este conceput pentru lanțuri de 13 mm și ajută la menținerea mărfii stabile, reducând riscul de slăbire, alunecare sau deplasare în timpul transportului. Este o alegere foarte bună pentru șoferi de camion, transportatori și service-uri care au nevoie de o soluție rapidă și fiabilă pentru lucru zilnic.
Avantaje principale
- Compatibil cu lanțuri de 13 mm
- LC106kN pentru o capacitate mare de utilizare
- Închidere rapidă și sigură cu mecanism cu clichet
- Construcție robustă, durabilă în timp
- Accesoriu practic pentru camion și remorcă
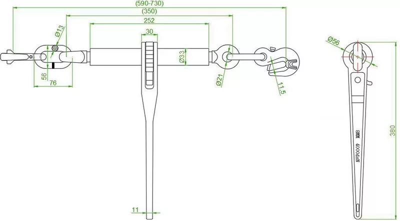
Date tehnice
| Tip produs | Troliu de ancorare cu cârlige |
| Dimensiune lanț | 13 mm |
| Capacitate | LC106kN |
| Tip fabricație | Produs auxiliar / accesoriu |
| Material | Oțel rezistent |
| Dimensiuni | A: 353,5 mm, B: 33 mm, C: 66,5 mm, E: 658 mm, E1: 861 mm, F: 751 mm, F1: 878 mm, G: 18 mm |
Domeniu de utilizare și montaj
Acest produs este potrivit ca piesă camion și accesoriu de ancorare pentru diverse suprastructuri de remorcă și vehicule de transport. Utilizarea este simplă: lanțul de 13 mm se fixează în cârlige, apoi mecanismul cu clichet se tensionează până la obținerea fixării dorite. Înainte de utilizare, verifică starea lanțului, a cârligelor și a mecanismului pentru a asigura funcționarea corectă.
Recomandări de utilizare
- pentru marfă grea și transporturi solicitante
- pentru șoferi de camion și firme de transport
- pentru service-uri și montaje pe suprastructuri
- când ai nevoie de o soluție rapidă și sigură de ancorare
Produse compatibile recomandate
- Lanț de ancorare 13 mm
- Accesorii pentru tensionare și fixare marfă
Întrebări frecvente
Pentru ce tip de lanț este potrivit acest troliu?
Este proiectat special pentru lanțuri de 13 mm, astfel încât să ofere o fixare sigură și eficientă.
Poate fi folosit pe camion și remorcă?
Da, este potrivit pentru camion, remorcă și alte vehicule de transport, dacă punctele de prindere sunt corespunzătoare.
Când trebuie înlocuit?
Dacă mecanismul nu mai tensionează corect, cârligele sunt uzate sau fixarea nu mai este sigură, este recomandată înlocuirea.
Este o piesă originală sau un accesoriu?
Este un produs auxiliar pentru ancorarea mărfii, ideal ca soluție practică și rentabilă pentru utilizare zilnică.
Comandă acum din magazinul nostru de piese camion și beneficiezi de o soluție fiabilă, ușor de folosit și potrivită pentru transport sigur, cu livrare rapidă și suport de specialitate.