Racletă cu cârlige pentru lanț de 10 mm LC63kN
Racletă cu cârlige pentru lanț de 10 mm LC63kN este o soluție practică și sigură pentru fixarea încărcăturii pe semiremorcă sau suprastructură. Produsul ajută la stabilizarea mărfii pe durata transportului, reducând riscul de deplasare, vibrații și slăbire a sistemului de ancorare. Este o alegere utilă pentru șoferi de camion, firme de transport și ateliere care caută un accesoriu pentru camion fiabil și ușor de folosit.
Avantaje principale
- Fixare puternică: clasificarea LC63kN indică o rezistență ridicată la închidere.
- Compatibilitate pentru lanț de 10 mm: potrivire precisă și sigură.
- Utilizare rapidă: economisește timp la operațiunile zilnice de asigurare a încărcăturii.
- Construcție durabilă: concepută pentru utilizare intensă în transport.
- Opțiune economică: o soluție eficientă pentru echiparea flotei.
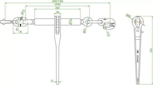
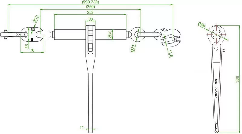
Specificații tehnice
| Tip produs | Racletă / întinzător pentru lanț cu cârlige |
| Lanț compatibil | 10 mm |
| Valoare de încărcare | LC63kN |
| Material | Metal robust |
| Dimensiuni | A: 353,5 mm; B: 33 mm; C: 66,5 mm; E: 605 mm; E1: 808 mm; F: 684 mm; F1: 887 mm; G: 16 mm |
Compatibilitate și domeniu de utilizare
Produsul este recomandat pentru semiremorci, suprastructuri de camion, transport de marfă și aplicații de ancorare cu lanț. Se potrivește perfect în situații în care este necesară o soluție sigură pentru piese camion și echipamente de fixare a încărcăturii.
Utilizare și montaj
Înainte de utilizare, verificați starea lanțului, a cârligelor și a punctelor de prindere. Montajul trebuie făcut astfel încât sistemul să fie tensionat corect, iar elementele să nu prezinte uzură sau deformări. Pentru siguranță maximă, înlocuiți piesele deteriorate imediat.
Recomandări de utilizare
Este ideală pentru șoferi profesioniști, transportatori, service-uri și manageri de flotă care caută un magazin online de piese camion de încredere. Este deosebit de utilă la transporturi lungi, încărcături grele și operațiuni frecvente de încărcare-descărcare.
Întrebări frecvente
- Pentru ce lanț este potrivită această racletă?
Este proiectată pentru lanțuri de 10 mm, oferind fixare stabilă și sigură. - Ce înseamnă LC63kN?
Reprezintă valoarea de încărcare, adică o capacitate ridicată de menținere a încărcăturii în siguranță. - Când trebuie înlocuit produsul?
Dacă apar uzură, deformări, crăpături sau elemente slăbite, este recomandată înlocuirea.
Dacă aveți nevoie de un echipament camion fiabil pentru ancorarea mărfii, această racletă pentru lanț de 10 mm este o alegere excelentă. Comandați acum din webshop pentru livrare rapidă și o soluție sigură la preț avantajos.