Placă filetată 20 mm – soluție compactă și rezistentă pentru fixare
Placa filetată 20 mm este un element de fixare robust și compact, ideal pentru utilizări pe camioane, remorci, containere și alte structuri industriale. Oferă o prindere sigură acolo unde spațiul este limitat, fiind o alegere practică pentru ateliere, firme de transport și montajul de caroserii. Este utilă în special la uși de marfă, balamale, bride sau alte puncte de fixare care necesită stabilitate și montaj precis.
Avantaje principale
- Oțel zincat pentru rezistență la coroziune și durată lungă de viață
- 2 filete M8 pentru montaj standard și sigur
- Dimensiune redusă, dar capacitate bună de susținere
- Montaj rapid și utilizare practică în mediul profesional
- O alegere economică dintr-un magazin de piese pentru camioane
Date tehnice
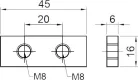
| Lungime totală | 45 mm |
| Înălțime | 16 mm |
| Grosime | 6 mm |
| Distanța dintre găuri | 20 mm |
| Filet | 2 x M8 |
| Material | oțel zincat |
| Tip | piesă de fixare / accesoriu |
Utilizare și montaj
Placa se montează ușor în sistemele existente și se fixează cu șuruburi M8. La instalare, este importantă poziționarea corectă și strângerea uniformă, pentru a obține o prindere durabilă. Produsul este potrivit pentru cei care caută o piesă camion fiabilă, dar și pentru aplicații unde este nevoie de un accesoriu camion compact și rezistent.
Întrebări frecvente
Ce șuruburi se potrivesc?
Placa are filet M8, deci se folosește cu șuruburi M8.
Poate fi folosită la exterior?
Da, stratul zincat ajută la protecția împotriva ruginii și a intemperiilor.
Este potrivită pentru balamale?
Da, este o soluție bună pentru fixarea balamalelor și a altor elemente de caroserie.
Comandați acum dintr-un magazin online de piese pentru camioane, cu livrare rapidă și produse disponibile din stoc pentru montaj eficient și sigur.