Bază inox sudabilă pentru placă de balama
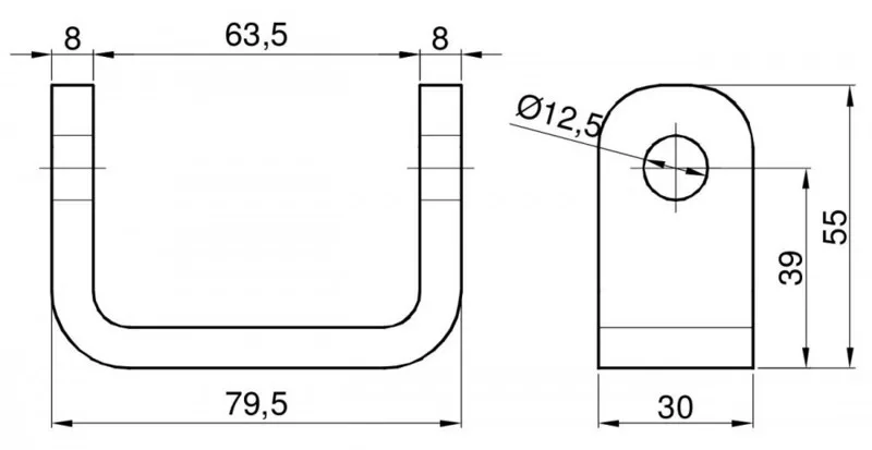
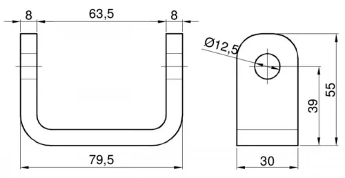
Baza inox sudabilă pentru placă de balama este o soluție fiabilă pentru suprastructuri tip box, unde este nevoie de o fixare solidă, durabilă și rezistentă la coroziune. Această piesă camion ajută la montarea precisă a plăcii de balama și a axului, astfel încât ușile suprastructurii să funcționeze sigur și constant pe termen lung. Este o alegere practică pentru transportatori, service-uri și ateliere care caută o soluție simplă de reparare și întreținere pentru piese de suprastructură și sisteme de prindere a încărcăturii.
Avantaje principale
- Execuție inox rezistentă la coroziune și intemperii
- Design sudabil pentru fixare puternică și sigură
- Așezare precisă pentru placă de balama și ax
- Întreținere redusă, ideală pentru utilizare zilnică
- Soluție economică pentru reparații și construcții
Specificații tehnice
| Material | inox / oțel inoxidabil |
| Tip | bază sudabilă pentru placă de balama |
| Funcție | fixarea balamalei și distribuția sarcinii |
| Utilizare | suprastructuri box, balamale încastrate |
| Compatibilitate | sisteme de balamale pentru camion și remorcă |
Utilizare și montaj
Produsul se montează prin sudură pe suprastructură sau pe suportul adecvat. Înainte de montaj, verificați poziția exactă a plăcii de balama și a axului, pentru o deschidere și închidere corectă. Varianta din inox este foarte potrivită pentru medii umede, utilizare intensă sau zone expuse la sare și murdărie.
Recomandare de utilizare
Este recomandată pentru șoferi de camion, firme de transport și service-uri care au nevoie de o piesă camion sau accesoriu camion durabil pentru reparații de suprastructură. Este utilă mai ales atunci când există sarcini mari, utilizare frecventă și nevoie de intervenții rapide.
Produse asociate
- placă de balama
- ax / set de balama
Întrebări frecvente
Cu ce vehicule este compatibilă?
Este folosită în special la camioane cu suprastructură box, remorci și lucrări de reparație pentru suprastructuri.
Se poate monta fără sudură?
Nu, această versiune este sudabilă și necesită montaj prin sudură.
De ce să aleg inoxul?
Pentru rezistență foarte bună la coroziune și o durată de viață mai mare în exploatare.
Când trebuie înlocuită?
Atunci când piesa veche este uzată, deformată sau balamaua nu mai stă aliniată corect.
Alegeți un produs dintr-un magazin piese camion de încredere și comandați această soluție practică pentru reparații rapide, durabile și profesionale.