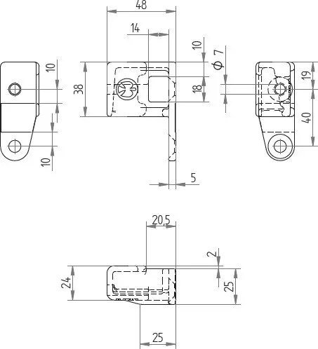
Set buzunar lateral Hestal 801, partea dreaptă
Setul de buzunar lateral Hestal 801, dreapta este un accesoriu fiabil pentru suprastructura remorcii, creat pentru organizarea eficientă a spațiului și pentru sprijin în fixarea încărcăturii. Varianta pentru partea dreaptă oferă acces rapid la chingi, scule mici și alte accesorii esențiale, ceea ce face munca mai ușoară pentru șoferi de camion, transportatori și service-uri.
Avantaje principale
- Construcție durabilă – realizată din oțel / aliaj metalic rezistent.
- Montaj precis – compatibilitate bună cu seria Hestal 801-802.
- Utilizare practică – acces facil la echipamentele necesare zilnic.
- Răcire și organizare mai bună a spațiului – rampa și zona de lucru rămân ordonate.
- Raport bun calitate-preț – soluție economică pentru întreținere și echipare.
Specificații tehnice și compatibilitate
- Tip: piesă aftermarket pentru suprastructură
- Execuție: buzunar lateral drept
- Material: oțel / aliaj metalic
- Aplicație: platforme fixe și sisteme cu racleți Hestal 801-802
- Rol: depozitare laterală și acces rapid la accesorii de ancorare
Utilizare și montaj
Montajul este simplu, însă înainte de instalare recomandăm verificarea versiunii exacte a suprastructurii. O fixare corectă asigură funcționare sigură și durabilă, chiar și în exploatare intensă.
Întrebări frecvente
Cu ce vehicule este compatibil?
Este destinat suprastructurilor Hestal 801-802 și platformelor fixe de remorcă.
Este piesă originală sau aftermarket?
Produsul este o piesă aftermarket potrivită pentru un magazin de piese camion și accesorii de platformă.
Când trebuie înlocuit?
Dacă buzunarul vechi este deteriorat, slăbit sau nu mai oferă depozitare sigură, înlocuirea este recomandată.
Alegeți setul buzunar lateral Hestal 801 dreapta dacă doriți ordine în spațiul de marfă, acces rapid la accesorii și un accesoriu camion rezistent. Comandați din webshopul nostru de piese, cu livrare rapidă, produse din stoc și ajutor specializat la alegere!