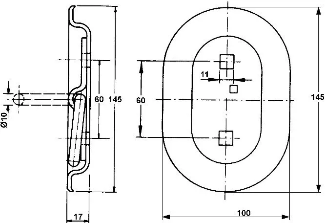
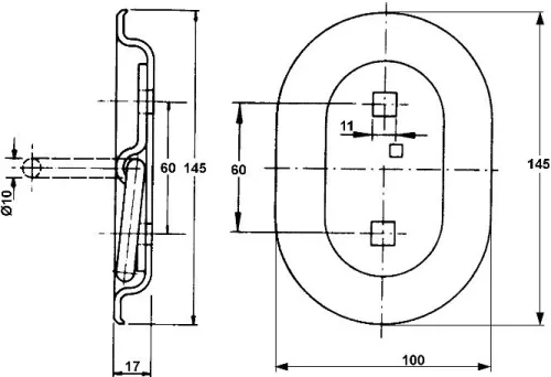
Cârlig de fixare 100x145 – soluție sigură pentru ancorarea mărfii
Cârligul de fixare 100x145 este o piesă practică și rezistentă pentru suprastructuri de remorcă și fixarea încărcăturii. Oferă un punct de prindere stabil pentru chingi, cârlige din oțel sau alte sisteme de ancorare, reducând riscul de deplasare a mărfii în timpul transportului. Pentru șoferi de camion, transportatori și service-uri, acest accesoriu pentru camion este o alegere utilă, eficientă și sigură în activitatea de zi cu zi.
Avantaje principale
- Construcție durabilă pentru utilizare intensă
- Montaj și înlocuire ușoară pe șine de fixare
- Prindere fermă pentru siguranța încărcăturii
- Finisaj rezistent la coroziune pentru durată de viață mai mare
- Soluție rentabilă pentru flote și ateliere
Caracteristici tehnice
| Dimensiune | 100 x 145 mm |
| Material | Metal robust, cu rezistență ridicată |
| Tip | Produs auxiliar / piesă aftermarket pentru ancorare |
| Standarde | ISO 27956, EN 12640 |
| Utilizare | Remorcă, suprastructură, șină de fixare |
Compatibilitate și utilizare
Produsul este recomandat pentru remorci, suprastructuri și sisteme cu șine de ancorare folosite în transportul profesional. La montaj este importantă poziționarea corectă și respectarea instrucțiunilor producătorului. În utilizarea zilnică, verificați periodic uzura și strângerea elementelor de fixare.
Recomandare de utilizare
Ideal pentru transportatori, șoferi profesioniști și service-uri care au nevoie de o soluție rapidă și standardizată de ancorare. Dacă căutați un magazin online de piese camion de încredere, acest produs oferă un raport excelent între preț și calitate.
Întrebări frecvente
La ce folosește cârligul de fixare 100x145?
Servește la prinderea sigură a mărfii și la fixarea pe sisteme cu șine.
Este piesă originală sau aftermarket?
Este o piesă auxiliară aftermarket, potrivită pentru utilizare standardizată.
Când trebuie înlocuit?
Dacă este îndoit, uzat sau nu mai oferă o fixare stabilă, este recomandată înlocuirea.
Comandați acum din webshop cu livrare rapidă și asistență de specialitate pentru o fixare sigură și eficientă.