Suport închizător 607/1 – fixare sigură pentru închiderile laterale
Suportul închizător 607/1 este un piesă pentru camion și un accesoriu practic pentru remorci, suprastructuri și vehicule industriale. Rolul lui este să ofere sprijin stabil pârghiilor de închidere laterale, prevenind deschiderea accidentală sau mișcarea nedorită în timpul transportului. Este o soluție utilă pentru transportatori, ateliere și utilizatori industriali care caută o piesă fiabilă, rezistentă și ușor de montat.
Avantaje principale
- Construcție robustă pentru solicitări mari
- Oțel zincat rezistent la rugină și intemperii
- Găuri poziționate precis pentru montaj rapid
- Compatibil cu mai multe sisteme de închidere pentru camion și remorcă
- O alegere economică atunci când ai nevoie de înlocuire suport închizător
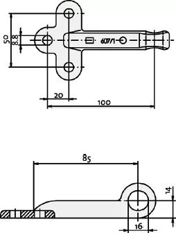
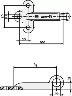
Date tehnice
| Lungime totală | 100 mm |
| Lățime | 50 mm |
| Diametrul găurii | Ø14 mm |
| Distanța între axe | 20 mm |
| Înălțime profil | 14 mm |
| Material | oțel zincat |
| Greutate | 0,24 kg |
| Tip produs | piesă aftermarket pentru suprastructuri |
Compatibilitate și utilizare
Suportul 607/1 este utilizat pe remorci, camioane, containere, suprastructuri industriale și remorci agricole. Este recomandat în special pentru încuietori de tip 3990, 3991 și Hestal, fiind potrivit pentru prindere pe partea stângă sau dreaptă.
Montaj și utilizare
La montaj, așază suportul exact în poziția corectă, astfel încât pârghia de închidere să se sprijine ferm. Verifică periodic strângerea și uzura pentru a menține funcționarea sigură a sistemului de închidere. Este o soluție simplă, dar importantă în orice magazin piese camion sau în atelier.
Întrebări frecvente
- Este pentru stânga sau pentru dreapta?
Este universal și poate fi folosit pe ambele părți.
- Cu ce încuietori este compatibil?
Cu sisteme 3990, 3991 și Hestal.
- Se poate folosi afară, în ploaie?
Da, oțelul zincat oferă protecție bună împotriva coroziunii.
Dacă vrei o soluție durabilă și ușor de comandat dintr-un magazin online de piese camion, suportul închizător 607/1 este o alegere practică. Comandă acum pentru livrare rapidă și completează sistemul cu accesorii de fixare potrivite.