Nod de balama din aluminiu pentru camioane și remorci
Acest nod de balama din aluminiu, executat din aluminiu anodizat și cu formă curbată, este o soluție practică pentru uși de marfă, suprastructuri de remorcă sau sisteme de uși industriale. Orificiul de Ø12,6 mm asigură o potrivire precisă cu axul balamalei, reducând uzura și oferind o funcționare stabilă în utilizarea zilnică. Este un accesoriu pentru camion util pentru transportatori, ateliere și service-uri care caută o piesă ușoară, dar rezistentă.
Avantaje principale
- Construcție durabilă din aluminiu anodizat, rezistentă la coroziune și abraziune.
- Greutate redusă – doar 0,05 kg, fără încărcarea inutilă a structurii.
- Măsurători precise pentru montaj rapid și fixare sigură.
- Utilizare universală la remorci, camioane și aplicații industriale.
- Raport bun preț-calitate pentru întreținere, reparații și înlocuire.
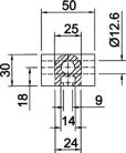
Date tehnice
- Lungime totală: 50 mm
- Diametrul găurii: Ø12,6 mm
- Înălțime corp: 30 mm
- Dimensiune canal: 25 mm (partea interioară), 24 mm (partea inferioară)
- Grosime laterală: 9 mm
- Material: aluminiu anodizat
- Tip produs: piesă auxiliară / accesoriu
- Greutate: 0,05 kg
Compatibilitate și domeniu de utilizare
Produsul este compatibil în mod universal cu uși de marfă pentru camioane, remorci, containere de transport, TIR-uri și structuri industriale. Este recomandat pentru ax de balama cu diametrul de Ø12–12,6 mm, ceea ce îl face potrivit pentru multe aplicații în zona de piese camion și piese auto utilitare. Dacă ai nevoie de un produs dintr-un magazin de piese camion care să fie practic și fiabil, acest nod de balama este o alegere bună.
Montaj și utilizare
Montajul se face după verificarea punctelor de prindere și a dimensiunii axului. Pentru funcționare corectă se recomandă folosirea unui ax de Ø12–12,6 mm. Înainte de instalare, controlează uzura componentei vechi și aliniază piesele pentru a evita jocul sau blocarea ușii.
Recomandări de utilizare
- Pentru întreținerea ușilor de marfă și a suprastructurilor
- Pentru șoferi de camion și firme de transport
- Pentru ateliere și service-uri de reparații
- Pentru înlocuire rapidă din stoc, cu livrare rapidă
Produse conexe
Se recomandă și achiziția unui ax de balama și a elementelor de fixare, pentru o montare completă și sigură.
Întrebări frecvente
1. La ce folosește nodul de balama din aluminiu?
Este folosit pentru prinderea axului balamalei la uși de camion, remorcă sau echipamente industriale.
2. Cu ce ax este compatibil?
Este compatibil cu axe de balama de Ø12 mm sau Ø12,6 mm.
3. Pachetul include și axul?
Nu, axul se comandă separat din magazin.
Comandă acum acest accesoriu camion ușor, rezistent și precis, disponibil cu livrare rapidă dintr-un magazin de încredere pentru piese camion.