Butuc balama 6561N cu gaură filetată M12
Butucul de balama 6561N este o soluție robustă și durabilă pentru uși de camion, remorci, containere și sisteme industriale de închidere. Acest piesă camion ajută la reducerea uzurii, a jocului din balamale și a problemelor de funcționare la ușile de marfă. Construcția din oțel galvanizat oferă protecție foarte bună împotriva ruginii, fiind potrivită pentru utilizare intensă și pentru exterior.
Avantaje principale
- Construcție solidă din oțel, pentru utilizare grea
- Gaură filetată M12 pentru montaj rapid și sigur
- Suprafață galvanizată pentru rezistență la coroziune
- Dimensiuni standard, ușor de integrat în sisteme existente
- O alegere economică și practică pentru întreținere și reparații
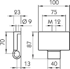
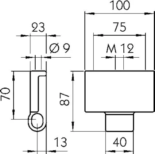
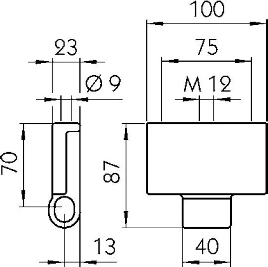
Specificații tehnice
| Lungime totală | 100 mm |
| Înălțime | 87 mm |
| Diametrul găurii interioare | Ø9 mm |
| Filet | M12 |
| Distanța între găuri | 75 mm |
| Lățime (bază) | 40 mm |
| Material | Oțel galvanizat |
| Greutate | 0,48 kg |
Compatibilitate și utilizare
Acest butuc de balama este potrivit ca piesă de schimb pentru camion, dar și pentru remorci, vehicule TIR, containere și uși industriale. Dacă ai nevoie de un accesoriu camion fiabil pentru uși rabatabile sau elemente mobile supuse la solicitări mari, modelul 6561N este o alegere sigură.
Montaj și utilizare
Montajul se face cu șurub M12, iar pentru funcționare corectă este recomandat un bolț de balama Ø9 mm. Înainte de instalare, verifică distanța dintre găuri și compatibilitatea cu sistemul existent, pentru o mișcare precisă și o durată de viață cât mai mare.
Produse asociate
- Set șuruburi M12
- Bolț de balama Ø9 mm
Întrebări frecvente
- Ce șurub se folosește la montaj? – Butucul are gaură filetată M12, deci se montează cu șurub standard M12.
- Este potrivit pentru exterior? – Da, stratul galvanizat oferă protecție bună împotriva coroziunii în medii exterioare.
- Când trebuie înlocuit? – Dacă balamaua existentă este uzată, are joc, este îndoită sau ruginită, este recomandată înlocuirea.
Comandă acum dintr-un magazin piese camion de încredere, cu livrare rapidă și produse disponibile din stoc, pentru o soluție practică și rezistentă în utilizarea zilnică.