Butuc de balama 6552 cu filet M12 – soluție robustă pentru camioane și utilizare industrială
Butucul de balama 6552 cu filet M12 este o piesă rezistentă, realizată din oțel, concepută pentru uși de marfă, vehicule TIR, containere și porți industriale. Rolul lui este să asigure o prindere sigură și stabilă acolo unde balamaua trebuie să funcționeze fără joc și fără uzură prematură. Dacă ai nevoie de o piesa de schimb fiabilă pentru un sistem de balamale, acest produs este o alegere practică și economică.
Avantaje principale
- Construcție solidă din oțel pentru utilizare intensă
- Filet M12 pentru fixare rapidă și sigură
- Dimensiuni precise pentru montaj facil
- Potrivit pentru camioane, remorci, containere și uși industriale
- O alegere eficientă din punct de vedere al costurilor pentru magazin piese camion
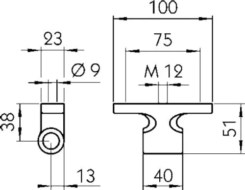
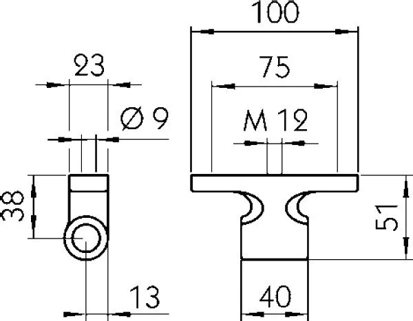
Date tehnice
| Lungime totală | 100 mm |
| Înălțime | 51 mm |
| Lățime bază | 40 mm |
| Diametru gaură | Ø16,5 mm |
| Filet | M12 |
| Distanța dintre găuri | 75 mm |
| Material | oțel |
| Greutate | 0,281 kg |
Compatibilitate și utilizare
Butucul de balama este compatibil cu majoritatea sistemelor de balamale cu ax Ø16,5 mm și se montează cu șurub M12. Este recomandat pentru uși de camion, remorci, suprastructuri, containere și porți industriale. La montaj, verifică alinierea corectă și libertatea de mișcare a axului pentru o funcționare optimă.
Întrebări frecvente
Cu ce ax este compatibil?
Cu ax de balama de Ø16,5 mm.
Ce element de fixare trebuie folosit?
Este necesar un șurub cu filet M12.
Când trebuie înlocuit?
Când apare jocul, uzura sau închiderea ușii devine dificilă.
Disponibil din stoc, cu livrare rapidă, acest accesoriu camion este o soluție sigură pentru profesioniști. Comandă acum dintr-un magazin piese camion de încredere și alege o piesă durabilă pentru utilizare zilnică.