Butuc balama Zsanéragy 6552 – soluție robustă pentru camioane și suprastructuri industriale
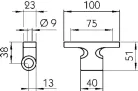
Zsanéragy 6552 este o piesă rezistentă, realizată din oțel zincat, destinată sistemelor de balamale pentru uși de marfă, containere, remorci și porți industriale. Distanța standard dintre găuri de 75 mm și orificiul pentru ax de Ø9 mm asigură montaj rapid, stabil și compatibilitate bună cu multe sisteme de fixare. Este o alegere practică atunci când ai nevoie de un piesă camion de schimb sau de un element nou pentru montaj.
- Construcție solidă: pentru utilizare intensă
- Protecție anticorozivă: suprafață zincată, potrivită și pentru exterior
- Montaj facil: găuri standardizate pentru instalare rapidă
- Utilizare versatilă: camion, remorcă, container, poartă industrială
- Variantă economică: ideală pentru înlocuire eficientă și durabilă
Specificații tehnice: 100 mm lățime totală, 51 mm înălțime, 38 mm lungimea brațului, 13 mm grosimea brațului, 40 mm lățimea bazei, greutate: 0,35 kg. Este recomandată pentru sisteme de balamale de pe suprastructuri fixe, uși spate și elemente de închidere expuse la uzură. Montajul se face cu șuruburi compatibile Ø9 mm și un ax de balama potrivit. În magazinul de piese camion produsul este disponibil din stoc, cu livrare rapidă și suport util pentru alegerea corectă.
Întrebări frecvente
Cu ce vehicule este compatibil Zsanéragy 6552?
Este potrivit pentru camioane, remorci, containere, uși de marfă și porți industriale.
Este potrivit pentru exterior?
Da, oțelul zincat oferă o bună rezistență la coroziune și la utilizarea în medii dificile.
Ce trebuie verificat înainte de montaj?
Verifică distanța dintre găuri de 75 mm, diametrul de Ø9 mm și compatibilitatea cu axul balamalei.